ТФ-700-9 Опоры контактной сети фланцевые трубчатые
Область применения: Площади, улицы и дороги с низкой и средней интенсивностью движения, дворы, территории микрорайнов, АЗС, парковки, автостоянки, ландшафтное освещение, аэропорты, морские и речные порты, открытые спортивные сооружения, улицы и дороги с высокой и средней интенсивностью движения, многоуровневые развязки, железнодорожные платформы.
- Назначение опоры: Силовая, Контактной сети
- Производитель: Opora Engineering
- Высота (м): 9
- Тип опоры: ТФ
- Вес (кг): 523
- Форма ствола опоры: Трубчатая
- Верхний диаметр (мм): 219
- Способ установки: Фланцевая
- Нижний диаметр (мм): 273
- Размер фланца (мм): 480
- Подвод кабеля: Воздушный
- Покрытие: Горячее цинкование
- Материал: Трубный прокат
- Количество крепежных отверстий: 12
- Межцентровое расстояние отверстий B, мм: 380
- Установка: На железобетонные фундаменты, имеющие в своем составе закладной элемент
- Артикул производителя: ТФ-700-9
Цена: от 109 621 ₽ *
* Базовая цена за 1 шт. носит справочный характер. Не является публичной офертой. Уточняйте цены на ваше количество.
Позвоните в отдел продаж и узнайте точную цену
+7 (495) 215-22-09
или запросите цену онлайн:
Описание
Серия стальных трубчатых опор предназначена для организации освещения площадей, улиц и дорог. Опоры ТФ монтируют в морских и речных портах, на открытых спортивных площадках, парковках и железнодорожных платформах. Также их применяют для устройства контактной сети электротранспорта. Они позволяют использовать внутренний и воздушный подвод кабеля питания.
Для производства одной опоры ТФ используют две стальные трубы разного диаметра: от 219 до 426 мм. Их соединяют в целостный ступенчатый ствол высотой до 9 м. Величина максимального горизонтального усилия в верхней части опоры зависит от диаметра. Если при использовании труб диаметром 219 и 273 мм этот показатель будет составлять 700 кг, то для опор из труб 325 и 426 мм он увеличится до 1 800 кг.
Однако из-за использования тяжелых отрезков труб готовые опоры ТФ также отличаются большим весом. Именно благодаря этому свойству они многофункциональные и подходят для размещения контактной сети электротранспорта. Срок годности опор – до 30 лет, они защищены от коррозии методом горячего цинкования, дополнительно можно заказать лакокрасочное покрытие.
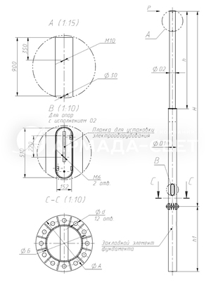
Габаритные размеры и технические детали опор
Основные параметры опор ТФ
| Наименование опоры | Наименов-е закладного элем-та фундамента | Обознач-е установочн. места кронштейна | P, кг | H, мм | h1, мм | h, мм | D1, мм | D2, мм | d, мм | А, мм | Б, мм | Масса*, кг |
|---|---|---|---|---|---|---|---|---|---|---|---|---|
| ТФ-700-9,0-01**-ц | ЗФ-30/12/Д380-2,5-б | О3 | 700 | 9000 | 2500 | 2500 | 273 | 219 | М30 | 480 | 380 | 523 |
P – максимальное горизонтальное усилие в верхней точке опоры
H – высота опоры
h – вылет верхней трубы
h1 – высота закладного элемента фундамента
D1 – диаметр нижней трубы
D2 – диаметр верхней трубы
d – номинальный диаметр резьбы крепежных изделий
n – количество отверстий во фланце под крепежные изделия
А – габаритный размер фланца
Б – межосевое расстояние крепежных деталей во фланце
* Указана полная расчетная масса металлоконструкции опоры с учетом покрытия.
** Способ подвода питающего кабеля: 01 – воздушный (базовое исполнение), 02 – внутренний (увеличение указанной массы на 5 кг).
Галерея
Видеоответы на частые вопросы
-
Как подбирать мощность светильника исходя из высоты опоры освещения -
Какое расстояние между опорами освещения должно быть -
Правила монтажа опор освещения -
Какой срок службы опор и мачт освещения -
Какие опоры дешевле -
От чего зависит конструктив опоры -
Опоры бывают разными -
Как подобрать опоры освещения с учетом ветровых нагрузок
Популярные модели
-
ТФ Опоры контактной сети фланцевые трубчатые -
ОГСКС Опоры граненые силовые контактной сети -
ТФГ Опоры контактной сети фланцевые граненые -
ОКККС Опоры круглоконические силовые контактной сети -
ОКСТф Опоры контактной сети фланцевые -
ОКГСф Опоры контактной сети граненые фланцевые -
ТФ-700-9 Опоры контактной сети фланцевые трубчатые -
ТФГ-1500-10 Опоры контактной сети фланцевые граненые -
ТФГ-700-9 Опоры контактной сети фланцевые граненые -
ТФГ-1000-10 Опоры контактной сети фланцевые граненые


