JET/T LED Регулируемый светодиодный светильник с концентрирующей оптикой
Область применения: HoReCa / гостиницы / рестораны / кафе; Гипер- / супермаркеты; Культурно-развлекательные учреждения; Магазины / бутики; ТРЦ
- Источник света: Светодиоды (LED)
- Номинальное напряжение (В): 230
- Класс защиты по току: I
- Класс защиты IP: IP20
- Климат.зона ГОСТ 15150: УХЛ4
- Мощность (Вт): 35-48
- Индекс цветопередачи (Ra): >80
- Цветовая температура (К): 2700-4000
- Световой поток (лм): 3300-4400
- Пульсации, не более (%): 5
- Коэффициент мощности: > 0,97
- Температура эксплуатации (°C): от +5 до +35
- Габаритные размеры: см. чертёж
- Гарантийный срок: 36 мес.
- Артикул производителя: JET/T LED
Цена: по запросу
* Базовая цена за 1 шт. носит справочный характер. Не является публичной офертой. Уточняйте цены на ваше количество.
Позвоните в отдел продаж и узнайте точную цену
+7 (495) 215-22-09
или запросите цену онлайн:
Описание
Светодиодный светильник с концентрирующей оптикой с установкой на шинопровод. Минималистичный дизайн, отсутствие видимого бокса для драйвера, а также возможность выбора цветовой температуры и вариантов углов рефлектора от узкого (15 град.) до среднего (45 град.) делают светильник отличным решением различных светотехнических и дизайнерских задач.
Установка
Светильник устанавливается на трехфазный шинопровод euro-DIN.
Конструкция
Корпус светильника изготовлен из литого под давлением алюминия, окрашен порошковой краской. Конструкция светильника позволяет регулировать наклон по вертикальной оси до 90 градусов, по горизонтальной до 355 градусов. Драйвер расположен в корпусе светильника.
Оптическая часть
Алюминиевый отражатель. Рассеиватель - темперированное стекло. Тип светодиодов: COB.
Комплектация
Светильник в сборе.
- Светильник, шт - 1
- Паспорт, шт - 1
- Упаковка, шт - 1
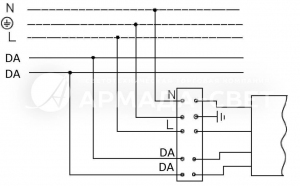
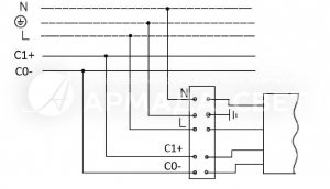
Схемы подключения
Схема подключения светильника к питающей сети с регулированием по системе 1-10V
Схема подключения светильника к питающей сети с регулируемым драйвером по системе DALI
Схема подключения светильника к питающей сети
КСС
JET-T LED 35 B D15 4000K
JET-T LED 35 B D25 4000K
JET-T LED 35 B D45 4000K
JET-T LED 50 B D15 4000K
JET-T LED 50 B D25 4000K
JET-T LED 50 B D45 4000K
Габаритные размеры
Таблица модификаций светильника
| Название | Артикул | Световой поток | Мощность | лм/Вт | Диаметр | Высота | Вес |
|---|---|---|---|---|---|---|---|
| JET/T LED 35 B D15 4000K | 1601000130 | 3300 лм | 35 Вт | 94 | 120 мм | 320 мм | 2,000 кг |
| JET/T LED 35 B D25 4000K | 1601000140 | 3300 лм | 35 Вт | 94 | 120 мм | 320 мм | 2,000 кг |
| JET/T LED 35 B D45 4000K | 1601000150 | 3300 лм | 35 Вт | 94 | 120 мм | 320 мм | 2,000 кг |
| JET/T LED 35 B D45 HFD 4000K | 1601000190 | 3300 лм | 35 Вт | 94 | 120 мм | 320 мм | 2,000 кг |
| JET/T LED 35 S D15 4000K | 1601000100 | 3300 лм | 35 Вт | 94 | 120 мм | 320 мм | 2,000 кг |
| JET/T LED 35 S D25 2700K | 1601000290 | 3300 лм | 35 Вт | 94 | 120 мм | 320 мм | 2,000 кг |
| JET/T LED 35 S D25 3000K | 1601000270 | 3300 лм | 35 Вт | 94 | 120 мм | 320 мм | 2,000 кг |
| JET/T LED 35 S D25 4000K | 1601000110 | 3300 лм | 35 Вт | 94 | 120 мм | 320 мм | 2,000 кг |
| JET/T LED 35 S D45 2700K | 1601000280 | 3300 лм | 35 Вт | 94 | 120 мм | 320 мм | 2,000 кг |
| JET/T LED 35 S D45 3000K | 1601000260 | 3300 лм | 35 Вт | 94 | 120 мм | 320 мм | 2,000 кг |
| JET/T LED 35 S D45 4000K | 1601000120 | 3300 лм | 35 Вт | 94 | 120 мм | 320 мм | 2,000 кг |
| JET/T LED 35 W D15 3000K | 1601000200 | 3300 лм | 35 Вт | 94 | 120 мм | 320 мм | 2,000 кг |
| JET/T LED 35 W D15 4000K | 1601000160 | 3300 лм | 35 Вт | 94 | 120 мм | 320 мм | 2,000 кг |
| JET/T LED 35 W D25 4000K | 1601000170 | 3300 лм | 35 Вт | 94 | 120 мм | 320 мм | 2,000 кг |
| JET/T LED 35 W D45 3000K | 1601000240 | 3300 лм | 35 Вт | 94 | 120 мм | 320 мм | 2,000 кг |
| JET/T LED 35 W D45 4000K | 1601000180 | 3300 лм | 35 Вт | 94 | 120 мм | 320 мм | 2,000 кг |
| JET/T LED 35 W D45 HFD 4000K | 1601000250 | 3300 лм | 35 Вт | 94 | 120 мм | 320 мм | 2,000 кг |
| JET/T LED 50 B D15 4000K | 1601000040 | 4400 лм | 48 Вт | 92 | 120 мм | 320 мм | 2,000 кг |
| JET/T LED 50 B D25 4000K | 1601000050 | 4400 лм | 48 Вт | 92 | 120 мм | 320 мм | 2,000 кг |
| JET/T LED 50 B D45 4000K | 1601000060 | 4400 лм | 48 Вт | 92 | 120 мм | 320 мм | 2,000 кг |
| JET/T LED 50 S D15 4000K | 1601000010 | 4400 лм | 48 Вт | 92 | 120 мм | 320 мм | 2,000 кг |
| JET/T LED 50 S D25 3000K | 1601000230 | 4400 лм | 48 Вт | 92 | 120 мм | 320 мм | 2,000 кг |
| JET/T LED 50 S D25 4000K | 1601000020 | 4400 лм | 48 Вт | 92 | 120 мм | 320 мм | 2,000 кг |
| JET/T LED 50 S D45 3000K | 1601000220 | 4400 лм | 48 Вт | 92 | 120 мм | 320 мм | 2,000 кг |
| JET/T LED 50 S D45 4000K | 1601000030 | 4400 лм | 48 Вт | 92 | 120 мм | 320 мм | 2,000 кг |
| JET/T LED 50 W D15 4000K | 1601000070 | 4400 лм | 48 Вт | 92 | 120 мм | 320 мм | 2,000 кг |
| JET/T LED 50 W D25 4000K | 1601000080 | 4400 лм | 48 Вт | 92 | 120 мм | 320 мм | 2,000 кг |
| JET/T LED 50 W D45 4000K | 1601000090 | 4400 лм | 48 Вт | 92 | 120 мм | 320 мм | 2,000 кг |
Галерея
