ARS/R Светильник с зеркальной экранизирующей решеткой
Область применения: Гипер- / супермаркеты; Магазины / бутики; Образовательные учреждения; Офисно-административные объекты; ТРЦ
- Источник света: Люминесцентная лампа (ЛЛ)
- Цоколь: G13, G5
- Номинальное напряжение (В): 230
- Класс защиты по току: I
- Класс защиты IP: IP20
- Климат.зона ГОСТ 15150: УХЛ4
- Мощность (Вт): 28-144
- Пульсации, не более (%): 5
- Коэффициент мощности: > 0,60
- Температура эксплуатации (°C): от +5 до +35
- Габаритные размеры: см. чертёж
- Гарантийный срок: 36 мес.
- Артикул производителя: ARS/R
Цена: по запросу
* Базовая цена за 1 шт. носит справочный характер. Не является публичной офертой. Уточняйте цены на ваше количество.
Позвоните в отдел продаж и узнайте точную цену
+7 (495) 215-22-09
или запросите цену онлайн:
Описание
Встраиваемый светильник для учебных и офисных помещений. V-образная отражающая решетка из алюминия марки Alanod обеспечивает высокий КПД светильника.
Установка
Встраиваются в подвесные потолки типа Армстронг с шириной полки несущего Т-образного профиля 15 и 24 мм или в подшивные потолки из гипсокартона с помощью клипс. Код заказа клипс — 2905000110 (6 штук — для модификации 4х36,4 штуки - для остальных).
Конструкция
Цельнометаллический сварной корпус из листовой стали, покрытый белой порошковой краской. В корпусе установлена пускорегулирующая аппаратура.
Оптическая часть
Экранирующая решетка изготовлена из зеркального алюминия. Устанавливается в корпус скрытыми пружинами.
Комплектация
Светильник в сборе.
Комплект поставки
- Светильник, шт - 1
- Упаковка, шт - 1
- Паспорт, шт - 1
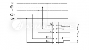
Схемы подключения
Схема подключения светильника к питающей сети с блоком резервного питания (на рис.а - блок резервного питания)
Схема подключения светильника к питающей сети с регулируемым драйвером по системе 1-10 V
Схема подключения светильника к питающей сети с регулируемым драйвером по системе DALI
Схема подключения светильника к питающей сети
КСС
ARS-R 214 HF
ARS-R 218 HF
ARS-R 418-595-HF
ARS-R 436-595-HF
Габаритные размеры
Таблица модификаций светильника
| Название | Артикул | Кол-во ламп | Мощность | Балласт | Цоколь | Тип источника света | Длина | Ширина |
|---|---|---|---|---|---|---|---|---|
| ARS/R 214 HF | 1015001180 | 2 | 28 Вт | ЭПРА | G5 | ЛЛ | 595 мм | 295 мм |
| ARS/R 218 HF | 1015000030 | 2 | 36 Вт | ЭПРА | G13 | ЛЛ | 595 мм | 295 мм |
| ARS/R 218 HFR | 1015000050 | 2 | 36 Вт | ЭПРА 1-10В | G13 | ЛЛ | 595 мм | 295 мм |
| ARS/R 228 HF | 1015001100 | 2 | 56 Вт | ЭПРА | G5 | ЛЛ | 1195 мм | 295 мм |
| ARS/R 236 HF | 1015000100 | 2 | 72 Вт | ЭПРА | G13 | ЛЛ | 1195 мм | 295 мм |
| ARS/R 414 HF | 1015000140 | 4 | 56 Вт | ЭПРА | G5 | ЛЛ | 595 мм | 595 мм |
| ARS/R 414 HF ES1 | 1015000150 | 4 | 56 Вт | ЭПРА | G5 | ЛЛ | 595 мм | 595 мм |
| ARS/R 418 /595/ HF | 1015000280 | 4 | 72 Вт | ЭПРА | G13 | ЛЛ | 624 мм | 595 мм |
| ARS/R 418 /595/ HF AC/DC | 1015001120 | 4 | 72 Вт | ЭПРА | G13 | ЛЛ | 624 мм | 595 мм |
| ARS/R 418 /595/ HF ES1 | 1015000300 | 4 | 72 Вт | ЭПРА | G13 | ЛЛ | 624 мм | 595 мм |
| ARS/R 418 /595/ HFR | 1015000320 | 4 | 72 Вт | ЭПРА 1-10В | G13 | ЛЛ | 624 мм | 595 мм |
| ARS/R 418 /605/ HF | 1015000460 | 4 | 72 Вт | ЭПРА | G13 | ЛЛ | 624 мм | 595 мм |
| ARS/R 418 /605/ HF ES1 | 1015000470 | 4 | 72 Вт | ЭПРА | G13 | ЛЛ | 624 мм | 595 мм |
| ARS/R 436 /595/ HF | 1015000550 | 4 | 144 Вт | ЭПРА | G13 | ЛЛ | 1205 мм | 605 мм |
| ARS/R 436 /595/ HF ES1 | 1015000560 | 4 | 144 Вт | ЭПРА | G13 | ЛЛ | 1205 мм | 605 мм |
Галерея
